I don’t know what to tell you. I haven’t found a lot of use for this module so far but I’m sure someone who isn’t only building the modules but also using them will have fun with it 😀


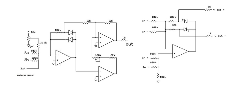
Original project page: Here
I don’t know what to tell you. I haven’t found a lot of use for this module so far but I’m sure someone who isn’t only building the modules but also using them will have fun with it 😀


Original project page: Here