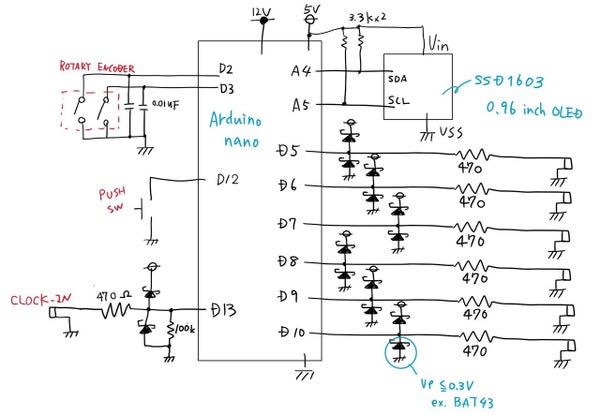
I built some drum modules but needed a sequencer to trigger them. Until then I used the clock and the divider to build simple drum rhytms and that worked fine, but having something more complex is way more fun I can tell you.

Link to the original project page: Here


There’s an alternative firmware: Here
//code missing
