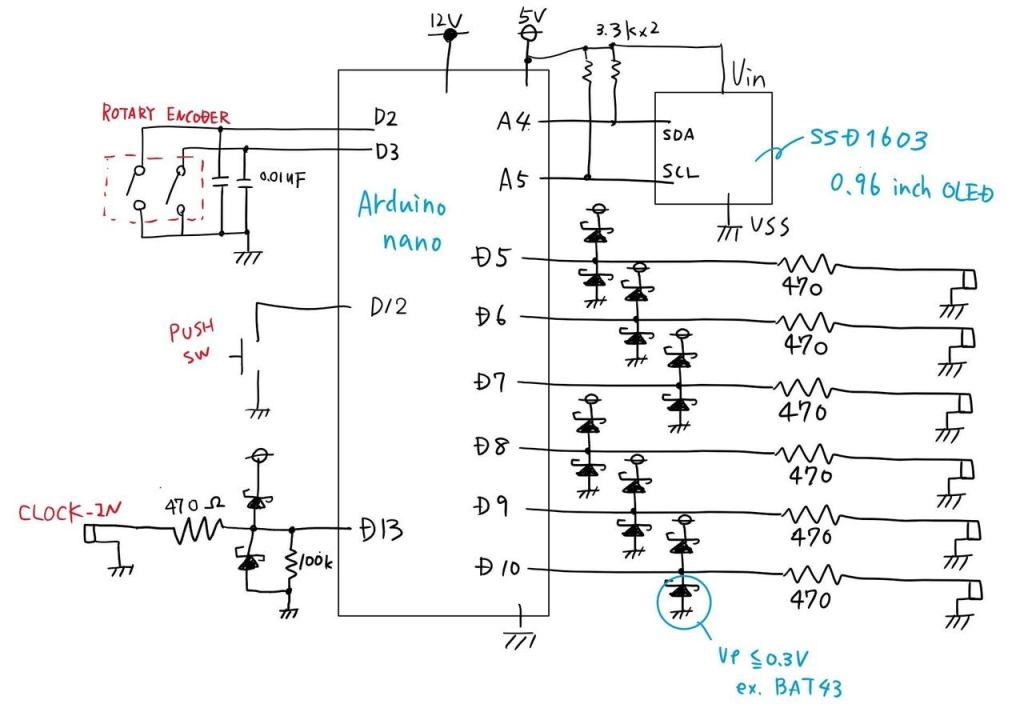
This Arduino Nano Sequencer is working like a treat and I can’t recommend it enough. Link to the original project page: Here
One rotary encoder and a button to interface with the tiny oled display a clock input and 6 channel outputs.


///----------------ライブラリの読み出し---------------------------
//EEPROM用ライブラリ
#include <EEPROM.h>
//エンコーダ用ライブラリ
#define ENCODER_OPTIMIZE_INTERRUPTS //エンコーダノイズ対策
#include <Encoder.h>
//OLED用ライブラリ
#include<Wire.h>
#include<Adafruit_GFX.h>
#include<Adafruit_SSD1306.h>
#define OLED_ADDRESS 0x3C
#define SCREEN_WIDTH 128//128が推奨表示
#define SCREEN_HEIGHT 64//64が推奨表示
//----------------変数の定義---------------------------
byte step_count = 0; //clock in毎に1繰り上がり。17になると1に戻る。増えた時にOUTPUTをONする。
byte clock_in = 0 ; //外部クロックの入力状態。H=1,L=0
byte old_clock_in = 0 ; //0→1を認識するための変数
unsigned int ch1_step = 0x8888; //テスト用
byte CH1_output = 0 ;
byte CH1_mute = 0 ;//0=ミュートしない、1=ミュートする
unsigned int ch2_step = 0x0808; //テスト用
byte CH2_output = 0 ;
byte CH2_mute = 0 ;//0=ミュートしない、1=ミュートする
unsigned int ch3_step = 0xCCCC; //テスト用
byte CH3_output = 0 ;
byte CH3_mute = 0 ;//0=ミュートしない、1=ミュートする
unsigned int ch4_step = 0x2222; //テスト用
byte CH4_output = 0 ;
byte CH4_mute = 0 ;//0=ミュートしない、1=ミュートする
unsigned int ch5_step = 0xFFFF; //テスト用
byte CH5_output = 0 ;
byte CH5_mute = 0 ;//0=ミュートしない、1=ミュートする
unsigned int ch6_step = 0x0000; //テスト用
byte CH6_output = 0 ;
byte CH6_mute = 0 ;//0=ミュートしない、1=ミュートする
//ロータリーエンコーダ設定
Encoder myEnc(3, 2);//ロータリーエンコーダライブラリ用
int oldPosition = -999;
int newPosition = -999;
byte enc = 96; //選択中のエンコーダ。初回起動時はMANUAL表示
byte enc_max = 105; //マニュアルモードではmax=99(16*6ch+option3+mute6)。AUTOでは11(MANUAL,genre,fillin,repeat,sw+mute6)
unsigned int enc_bit = 0x00;//
//ボタン設定
byte button = 0;//0=OFF,1=ON
byte old_button = 0;//チャタリング対策
byte button_on = 0;//チャタリング判定後のボタン状態。0=OFF,1=ON
// ディスプレイ変数の宣言
Adafruit_SSD1306 display(SCREEN_WIDTH, SCREEN_HEIGHT, &Wire, -1);
//オプション
byte mode = 0;//0=MANUAL,1=AUTO
byte count_reset = 0;//1でcountが0になる
byte save = 0;//1でseve実行しすぐに0に戻る
byte genre = 0; //パターンジャンル0=techno,1=dub,2=house
byte repeat = 2; //0=4times,1=8times,2=16times,3=32times,4=eternal
byte fillin = 1; //0=OFF,1=ON
byte sw = 0;//0=2,1=4,2=8,3=16,4=eternal
//AUTOモード
int repeat_max = 4;//repeat_doneこの値に達したらフィルイン
int repeat_done = 0; //stepが16になったら繰り上がる。
byte test = 0; //開発用
byte change_bnk1 = 1;//プリセット1
byte change_bnk2 = 1;//プリセット2
byte change_bnk3 = 1;//プリセット3(任意に増やしてOK)
byte sw_max = 1;//se_doneがこの値に達したらパターン変更(ランダム)
byte sw_done = 0;//repeat_maxになったら繰り上がる
//preset step pattern
//[パターンの数][CHの数*2。頭6個が通常時、後ろ6個がfillin]
//16信数はドラムパターンを示す。
//bnk1 TECHNO
const static word bnk1_ptn[8][12] PROGMEM = {
{ 0x8888, 0x0808, 0xDDDD, 0x2222, 0x1000, 0x0022,
0x8888, 0x88AF, 0xDDDD, 0x2222, 0x1000, 0x0022
},
{ 0x8888, 0x0808, 0xFFFF, 0x2222, 0x1000, 0x0022,
0x8888, 0x88AF, 0xFFFF, 0x2222, 0x1000, 0x0022
},
{ 0x8888, 0x0808, 0xCCCC, 0x2222, 0x1000, 0x0022,
0x8888, 0x88AF, 0xCCCC, 0x2222, 0x1000, 0x0022
},
{ 0x8888, 0x0808, 0x4545, 0x2222, 0x1000, 0x0022,
0x88AF, 0x0808, 0x4545, 0x2222, 0x1000, 0x0022
},
{ 0x8888, 0x0808, 0xFFFF, 0x2222, 0x1000, 0x0022,
0x88AF, 0x0808, 0xFFFF, 0x2222, 0x1000, 0x0022
},
{ 0x8888, 0x0809, 0xDDDD, 0x2222, 0x1000, 0x0022,
0x0000, 0x0809, 0xDDDD, 0x2222, 0x1000, 0x0022
},
{ 0x8888, 0x0849, 0xDDDD, 0x2222, 0x1000, 0x0022,
0x0000, 0x0849, 0xDDDD, 0x2222, 0x1000, 0x0022
},
{ 0x8888, 0x0802, 0xDDDD, 0x2222, 0x1000, 0x0022,
0x8896, 0x0869, 0xDDDD, 0x2222, 0x1000, 0x0022
}
};
//bunk2 DUBTECHNO
const static word bnk2_ptn[8][12] PROGMEM = {
{ 0x8888, 0x0808, 0xDDDD, 0x2222, 0x1240, 0x0022,
0x8888, 0x0809, 0xDDDD, 0x2222, 0x1240, 0x0022
},
{ 0x8888, 0x0808, 0xFFFF, 0x2222, 0x1240, 0x0022,
0x000A, 0x0849, 0xDDDD, 0x2222, 0x1000, 0x0022
},
{ 0x8889, 0x0808, 0xCCCC, 0x2222, 0x1240, 0x0022,
0x8888, 0x0000, 0xCCCC, 0x2222, 0x1240, 0x0022
},
{ 0x8889, 0x0808, 0x4545, 0x2222, 0x1240, 0x0022,
0x8888, 0x0809, 0x4545, 0x2222, 0x1240, 0x0022
},
{ 0x888C, 0x0808, 0xFFFF, 0x2222, 0x1240, 0x0022,
0x8888, 0x8888, 0xFFFF, 0x2222, 0x1240, 0x0022
},
{ 0x888C, 0x0809, 0xDDDD, 0x2222, 0x1240, 0x0022,
0x999F, 0x0000, 0xDDDD, 0x2222, 0x1240, 0x0022
},
{ 0x0000, 0x0849, 0xDDDD, 0x2222, 0x1240, 0x0022,
0x000A, 0x0849, 0xDDDD, 0x2222, 0x1000, 0x0022
},
{ 0x0000, 0x0802, 0xDDDD, 0x2222, 0x1240, 0x0022,
0x000A, 0x0802, 0xDDDD, 0x2222, 0x1000, 0x0022
}
};
//bunk3 HOUSE
const static word bnk3_ptn[8][12]PROGMEM = {
{ 0x8888, 0x0808, 0x2222, 0x0000, 0x0040, 0x0101,
0x8888, 0x88AF, 0x2222, 0x0000, 0x0040, 0x0101
},
{ 0x888A, 0x0808, 0x2323, 0x0000, 0x0040, 0x0101,
0x8888, 0x88AF, 0x2323, 0x0000, 0x0040, 0x0101
},
{ 0x8888, 0x0808, 0xCCCC, 0x2222, 0x0040, 0x0101,
0x8888, 0x88AF, 0xCCCC, 0x2222, 0x0040, 0x0101
},
{ 0x888A, 0x0808, 0xCCCC, 0x2222, 0x0040, 0x0101,
0x8888, 0x88AF, 0xCCCC, 0x2222, 0x0040, 0x0101
},
{ 0x8888, 0x0808, 0xFFFF, 0x2222, 0x0040, 0x0101,
0x0000, 0x0808, 0xFFFF, 0x2222, 0x0040, 0x0101
},
{ 0x888A, 0x0808, 0xFFFF, 0x2222, 0x0040, 0x0101,
0x0000, 0x0808, 0xFFFF, 0x2222, 0x0040, 0x0101
},
{ 0x888A, 0x0808, 0xFFFF, 0x2222, 0x0040, 0x4112,
0x0000, 0x0808, 0xFFFF, 0x2222, 0x0040, 0x4112
},
{ 0x8888, 0x0808, 0xCCCC, 0x2222, 0x0040, 0x4112,
0x88AF, 0x0808, 0xCCCC, 0x2222, 0x0040, 0x4112
}
};
void setup() {
// ディスプレイの初期化
display.begin(SSD1306_SWITCHCAPVCC, 0x3C);
pinMode(12, INPUT_PULLUP); //BUTTON
pinMode(5, OUTPUT); //CH1
pinMode(6, OUTPUT); //CH2
pinMode(7, OUTPUT); //CH3
pinMode(8, OUTPUT); //CH4
pinMode(9, OUTPUT); //CH5
pinMode(10, OUTPUT); //CH6
//保存データの読み出し
ch1_step = EEPROM.read(1) * 256 + EEPROM.read(2);
ch2_step = EEPROM.read(3) * 256 + EEPROM.read(4);
ch3_step = EEPROM.read(5) * 256 + EEPROM.read(6);
ch4_step = EEPROM.read(7) * 256 + EEPROM.read(8);
ch5_step = EEPROM.read(9) * 256 + EEPROM.read(10);
ch6_step = EEPROM.read(11) * 256 + EEPROM.read(12);
//開発用通信設定
// Serial.begin(9600);
OLED_display();
}
void loop() {
old_clock_in = clock_in;
old_button = button;
//-----------モード判定----------------
//MANUALモード
if (mode == 0) {
enc_max = 105;
}
//AUTOモード
else if (mode == 1) {
enc_max = 11;
}
//-----------ロータリーエンコーダ読み取り----------------
newPosition = myEnc.read();
if ( newPosition + 2 < oldPosition ) {//左回し
oldPosition = newPosition;
enc = enc - 1;
}
else if ( newPosition - 2 > oldPosition ) {//右回し
oldPosition = newPosition;
enc = enc + 1;
}
if (enc <= 0) {
enc = enc_max;//選択が各モードの最小値に達したら、最大値に戻す
}
else if ( enc > enc_max) {
enc = 1;//選択が各モードの最大値に達したら、最小値に戻す
}
if (mode == 0) {//選択中のパターンのビット管理
enc_bit = 0;
bitSet(enc_bit, abs(enc % 16 - 16));
if (abs(enc % 16 - 16) == 16) {
bitSet(enc_bit, 0);
}
}
//----------BUTTON読み取り----------------
button = 1 - digitalRead(12); //input_pullupのため"1-"
if (old_button == 0 && button == 1) {//0→1の時に1回だけpush判定
button_on = 1;
}
else {
button_on = 0;
}
//-------------------MANUALモード-------------------------
if (mode == 0) {
if (button_on == 1) {//任意のステップを選択中にボタンを押すと、ゲートのON/OFFを切り替える
if ( enc <= 16) {
ch1_step = ch1_step ^ enc_bit;
}
else if ( enc <= 32 && enc > 16) {
ch2_step = ch2_step ^ enc_bit;
}
else if ( enc <= 48 && enc > 32) {
ch3_step = ch3_step ^ enc_bit;
}
else if ( enc <= 64 && enc > 48) {
ch4_step = ch4_step ^ enc_bit;
}
else if ( enc <= 80 && enc > 64) {
ch5_step = ch5_step ^ enc_bit;
}
else if ( enc <= 96 && enc > 80) {
ch6_step = ch6_step ^ enc_bit;
}
//AUTO選択
else if ( enc == 97 ) {
mode = 1;
change_step();//AUTOモードのパターンに切り替え
}
//RESET選択
else if ( enc == 98 ) {
step_count = 1;
}
//SAVE選択
else if ( enc == 99 ) {
save_data();//EEPROMにセーブ保存
step_count = 1;
}
//MUTE設定
else if ( enc == 100) {
CH1_mute = !CH1_mute;
}
else if ( enc == 101) {
CH2_mute = !CH2_mute;
}
else if ( enc == 102) {
CH3_mute = !CH3_mute;
}
else if ( enc == 103) {
CH4_mute = !CH4_mute;
}
else if ( enc == 104) {
CH5_mute = !CH5_mute;
}
else if ( enc == 105) {
CH6_mute = !CH6_mute;
}
}
}
//-------------------AUTOモード-------------------------
else if (mode == 1) {
if (button_on == 1) {
//MANUAL選択
if ( enc == 1 ) {
mode = 0;//MANUAL呼び出し
enc = 97;//AUTOからMANUALに戻ったときに、MANUALを選択状態にする。自由に変えてOK
//保存データの読み出し
ch1_step = EEPROM.read(1) * 256 + EEPROM.read(2);
ch2_step = EEPROM.read(3) * 256 + EEPROM.read(4);
ch3_step = EEPROM.read(5) * 256 + EEPROM.read(6);
ch4_step = EEPROM.read(7) * 256 + EEPROM.read(8);
ch5_step = EEPROM.read(9) * 256 + EEPROM.read(10);
ch6_step = EEPROM.read(11) * 256 + EEPROM.read(12);
}
//genre選択
else if ( enc == 2 ) {
genre++;
if (genre >= 3) {
genre = 0;
}
}
//fillin選択 0=OFF,1=ON
else if ( enc == 3 ) {
fillin = !fillin;
}
//repeat選択
else if ( enc == 4 ) {
repeat++;
if (repeat >= 5) {//0=4times,1=8times,2=16times,3=32times,4=eternal
repeat = 0;
}
}
//switch選択
else if ( enc == 5) {
sw++;
if (sw >= 5) {//0=2,1=4,2=8,3=16,4=eternal
sw = 0;
}
}
//MUTE設定
else if ( enc == 6) {
CH1_mute = !CH1_mute;
}
else if ( enc == 7) {
CH2_mute = !CH2_mute;
}
else if ( enc == 8) {
CH3_mute = !CH3_mute;
}
else if ( enc == 9) {
CH4_mute = !CH4_mute;
}
else if ( enc == 10) {
CH5_mute = !CH5_mute;
}
else if ( enc == 11) {
CH6_mute = !CH6_mute;
}
}
}
//-------------AUTOモード処理---------------
switch (repeat) {
case 0:
repeat_max = 4;
break;
case 1:
repeat_max = 8;
break;
case 2:
repeat_max = 16;
break;
case 3:
repeat_max = 32;
break;
case 4:
repeat_max = 10000;//ETERNAL
break;
}
switch (sw) {
case 0:
sw_max = 2;
break;
case 1:
sw_max = 4;
break;
case 2:
sw_max = 8;
break;
case 3:
sw_max = 16;
break;
case 4:
sw_max = 255;//ETERNAL
break;
}
//--------------外部クロック入力検出,カウント----------------
clock_in = digitalRead(13);
if (old_clock_in == 0 && clock_in == 1) {
step_count++;
}
if (step_count >= 17) {
step_count = 1;
if (mode == 1) {
repeat_done++;
if ( fillin == 1 && repeat_done == repeat_max - 1) {
fillin_step();
}
else if (repeat_done >= repeat_max) {
sw_done++;
repeat_done = 0;
change_step();
}
}
}
if (sw_done >= sw_max) {
sw_done = 0;
}
//--------------シーケンス------------------------------
CH1_output = bitRead(ch1_step, 16 - step_count );
CH2_output = bitRead(ch2_step, 16 - step_count );
CH3_output = bitRead(ch3_step, 16 - step_count );
CH4_output = bitRead(ch4_step, 16 - step_count );
CH5_output = bitRead(ch5_step, 16 - step_count );
CH6_output = bitRead(ch6_step, 16 - step_count );
//--------------出力----------------------------------
if (CH1_output == 1 && CH1_mute == 0) {
digitalWrite(5, clock_in);
}
if (CH2_output == 1 && CH2_mute == 0) {
digitalWrite(6, clock_in);
}
if (CH3_output == 1 && CH3_mute == 0) {
digitalWrite(7, clock_in);
}
if (CH4_output == 1 && CH4_mute == 0) {
digitalWrite(8, clock_in);
}
if (CH5_output == 1 && CH5_mute == 0) {
digitalWrite(9, clock_in);
}
if (CH6_output == 1 && CH6_mute == 0) {
digitalWrite(10, clock_in);
}
//--------------OLED出力----------------------------------
//注意:OLEDの更新はクロック入ったタイミングのみ。Arduinoのビジー状態を避けるため。
if (old_clock_in == 0 && clock_in == 1) {
OLED_display();
}
// //開発用
// Serial.print(repeat_done);
// Serial.print(",");
// Serial.print(sw_max);
// Serial.println("");
}
//--------------OLED出力----------------------------------
void OLED_display() {
display.clearDisplay(); // ディスプレイをクリア
display.setTextSize(1); // 出力する文字の大きさ
display.setTextColor(WHITE); // 出力する文字の色
//CH1表示
display.setCursor(0, 0); // 文字の一番端の位置
display.print("CH1");
display.setCursor(30, 0);
if (CH1_mute == 0) {
if (bitRead(ch1_step, 15 ) == 1) {
display.print("*");
}
else {
display.print("_");
}
if (bitRead(ch1_step, 14 ) == 1) {
display.print("*");
}
else {
display.print("_");
}
if (bitRead(ch1_step, 13 ) == 1) {
display.print("*");
}
else {
display.print("_");
}
if (bitRead(ch1_step, 12 ) == 1) {
display.print("*");
}
else {
display.print("_");
}
if (bitRead(ch1_step, 11 ) == 1) {
display.print("*");
}
else {
display.print("_");
}
if (bitRead(ch1_step, 10 ) == 1) {
display.print("*");
}
else {
display.print("_");
}
if (bitRead(ch1_step, 9 ) == 1) {
display.print("*");
}
else {
display.print("_");
}
if (bitRead(ch1_step, 8 ) == 1) {
display.print("*");
}
else {
display.print("_");
}
if (bitRead(ch1_step, 7 ) == 1) {
display.print("*");
}
else {
display.print("_");
}
if (bitRead(ch1_step, 6 ) == 1) {
display.print("*");
}
else {
display.print("_");
}
if (bitRead(ch1_step, 5 ) == 1) {
display.print("*");
}
else {
display.print("_");
}
if (bitRead(ch1_step, 4 ) == 1) {
display.print("*");
}
else {
display.print("_");
}
if (bitRead(ch1_step, 3 ) == 1) {
display.print("*");
}
else {
display.print("_");
}
if (bitRead(ch1_step, 2 ) == 1) {
display.print("*");
}
else {
display.print("_");
}
if (bitRead(ch1_step, 1 ) == 1) {
display.print("*");
}
else {
display.print("_");
}
if (bitRead(ch1_step, 0 ) == 1) {
display.print("*");
}
else {
display.print("_");
}
}
//CH2表示
display.setCursor(0, 9); // 文字の一番端の位置
display.print("CH2");
display.setCursor(30, 9);
if (CH2_mute == 0) {
if (bitRead(ch2_step, 15 ) == 1) {
display.print("*");
}
else {
display.print("_");
}
if (bitRead(ch2_step, 14 ) == 1) {
display.print("*");
}
else {
display.print("_");
}
if (bitRead(ch2_step, 13 ) == 1) {
display.print("*");
}
else {
display.print("_");
}
if (bitRead(ch2_step, 12 ) == 1) {
display.print("*");
}
else {
display.print("_");
}
if (bitRead(ch2_step, 11 ) == 1) {
display.print("*");
}
else {
display.print("_");
}
if (bitRead(ch2_step, 10 ) == 1) {
display.print("*");
}
else {
display.print("_");
}
if (bitRead(ch2_step, 9 ) == 1) {
display.print("*");
}
else {
display.print("_");
}
if (bitRead(ch2_step, 8 ) == 1) {
display.print("*");
}
else {
display.print("_");
}
if (bitRead(ch2_step, 7 ) == 1) {
display.print("*");
}
else {
display.print("_");
}
if (bitRead(ch2_step, 6 ) == 1) {
display.print("*");
}
else {
display.print("_");
}
if (bitRead(ch2_step, 5 ) == 1) {
display.print("*");
}
else {
display.print("_");
}
if (bitRead(ch2_step, 4 ) == 1) {
display.print("*");
}
else {
display.print("_");
}
if (bitRead(ch2_step, 3 ) == 1) {
display.print("*");
}
else {
display.print("_");
}
if (bitRead(ch2_step, 2 ) == 1) {
display.print("*");
}
else {
display.print("_");
}
if (bitRead(ch2_step, 1 ) == 1) {
display.print("*");
}
else {
display.print("_");
}
if (bitRead(ch2_step, 0 ) == 1) {
display.print("*");
}
else {
display.print("_");
}
}
//CH3表示
display.setCursor(0, 18); // 文字の一番端の位置
display.print("CH3");
display.setCursor(30, 18);
if (CH3_mute == 0) {
if (bitRead(ch3_step, 15 ) == 1) {
display.print("*");
}
else {
display.print("_");
}
if (bitRead(ch3_step, 14 ) == 1) {
display.print("*");
}
else {
display.print("_");
}
if (bitRead(ch3_step, 13 ) == 1) {
display.print("*");
}
else {
display.print("_");
}
if (bitRead(ch3_step, 12 ) == 1) {
display.print("*");
}
else {
display.print("_");
}
if (bitRead(ch3_step, 11 ) == 1) {
display.print("*");
}
else {
display.print("_");
}
if (bitRead(ch3_step, 10 ) == 1) {
display.print("*");
}
else {
display.print("_");
}
if (bitRead(ch3_step, 9 ) == 1) {
display.print("*");
}
else {
display.print("_");
}
if (bitRead(ch3_step, 8 ) == 1) {
display.print("*");
}
else {
display.print("_");
}
if (bitRead(ch3_step, 7 ) == 1) {
display.print("*");
}
else {
display.print("_");
}
if (bitRead(ch3_step, 6 ) == 1) {
display.print("*");
}
else {
display.print("_");
}
if (bitRead(ch3_step, 5 ) == 1) {
display.print("*");
}
else {
display.print("_");
}
if (bitRead(ch3_step, 4 ) == 1) {
display.print("*");
}
else {
display.print("_");
}
if (bitRead(ch3_step, 3 ) == 1) {
display.print("*");
}
else {
display.print("_");
}
if (bitRead(ch3_step, 2 ) == 1) {
display.print("*");
}
else {
display.print("_");
}
if (bitRead(ch3_step, 1 ) == 1) {
display.print("*");
}
else {
display.print("_");
}
if (bitRead(ch3_step, 0 ) == 1) {
display.print("*");
}
else {
display.print("_");
}
}
//CH4表示
display.setCursor(0, 27); // 文字の一番端の位置
display.print("CH4");
display.setCursor(30, 27);
if (CH4_mute == 0) {
if (bitRead(ch4_step, 15 ) == 1) {
display.print("*");
}
else {
display.print("_");
}
if (bitRead(ch4_step, 14 ) == 1) {
display.print("*");
}
else {
display.print("_");
}
if (bitRead(ch4_step, 13 ) == 1) {
display.print("*");
}
else {
display.print("_");
}
if (bitRead(ch4_step, 12 ) == 1) {
display.print("*");
}
else {
display.print("_");
}
if (bitRead(ch4_step, 11 ) == 1) {
display.print("*");
}
else {
display.print("_");
}
if (bitRead(ch4_step, 10 ) == 1) {
display.print("*");
}
else {
display.print("_");
}
if (bitRead(ch4_step, 9 ) == 1) {
display.print("*");
}
else {
display.print("_");
}
if (bitRead(ch4_step, 8 ) == 1) {
display.print("*");
}
else {
display.print("_");
}
if (bitRead(ch4_step, 7 ) == 1) {
display.print("*");
}
else {
display.print("_");
}
if (bitRead(ch4_step, 6 ) == 1) {
display.print("*");
}
else {
display.print("_");
}
if (bitRead(ch4_step, 5 ) == 1) {
display.print("*");
}
else {
display.print("_");
}
if (bitRead(ch4_step, 4 ) == 1) {
display.print("*");
}
else {
display.print("_");
}
if (bitRead(ch4_step, 3 ) == 1) {
display.print("*");
}
else {
display.print("_");
}
if (bitRead(ch4_step, 2 ) == 1) {
display.print("*");
}
else {
display.print("_");
}
if (bitRead(ch4_step, 1 ) == 1) {
display.print("*");
}
else {
display.print("_");
}
if (bitRead(ch4_step, 0 ) == 1) {
display.print("*");
}
else {
display.print("_");
}
}
//CH5表示
display.setCursor(0, 36); // 文字の一番端の位置
display.print("CH5");
display.setCursor(30, 36);
if (CH5_mute == 0) {
if (bitRead(ch5_step, 15 ) == 1) {
display.print("*");
}
else {
display.print("_");
}
if (bitRead(ch5_step, 14 ) == 1) {
display.print("*");
}
else {
display.print("_");
}
if (bitRead(ch5_step, 13 ) == 1) {
display.print("*");
}
else {
display.print("_");
}
if (bitRead(ch5_step, 12 ) == 1) {
display.print("*");
}
else {
display.print("_");
}
if (bitRead(ch5_step, 11 ) == 1) {
display.print("*");
}
else {
display.print("_");
}
if (bitRead(ch5_step, 10 ) == 1) {
display.print("*");
}
else {
display.print("_");
}
if (bitRead(ch5_step, 9 ) == 1) {
display.print("*");
}
else {
display.print("_");
}
if (bitRead(ch5_step, 8 ) == 1) {
display.print("*");
}
else {
display.print("_");
}
if (bitRead(ch5_step, 7 ) == 1) {
display.print("*");
}
else {
display.print("_");
}
if (bitRead(ch5_step, 6 ) == 1) {
display.print("*");
}
else {
display.print("_");
}
if (bitRead(ch5_step, 5 ) == 1) {
display.print("*");
}
else {
display.print("_");
}
if (bitRead(ch5_step, 4 ) == 1) {
display.print("*");
}
else {
display.print("_");
}
if (bitRead(ch5_step, 3 ) == 1) {
display.print("*");
}
else {
display.print("_");
}
if (bitRead(ch5_step, 2 ) == 1) {
display.print("*");
}
else {
display.print("_");
}
if (bitRead(ch5_step, 1 ) == 1) {
display.print("*");
}
else {
display.print("_");
}
if (bitRead(ch5_step, 0 ) == 1) {
display.print("*");
}
else {
display.print("_");
}
}
//CH6表示
display.setCursor(0, 45); // 文字の一番端の位置
display.print("CH6");
display.setCursor(30, 45);
if (CH6_mute == 0) {
if (bitRead(ch6_step, 15 ) == 1) {
display.print("*");
}
else {
display.print("_");
}
if (bitRead(ch6_step, 14 ) == 1) {
display.print("*");
}
else {
display.print("_");
}
if (bitRead(ch6_step, 13 ) == 1) {
display.print("*");
}
else {
display.print("_");
}
if (bitRead(ch6_step, 12 ) == 1) {
display.print("*");
}
else {
display.print("_");
}
if (bitRead(ch6_step, 11 ) == 1) {
display.print("*");
}
else {
display.print("_");
}
if (bitRead(ch6_step, 10 ) == 1) {
display.print("*");
}
else {
display.print("_");
}
if (bitRead(ch6_step, 9 ) == 1) {
display.print("*");
}
else {
display.print("_");
}
if (bitRead(ch6_step, 8 ) == 1) {
display.print("*");
}
else {
display.print("_");
}
if (bitRead(ch6_step, 7 ) == 1) {
display.print("*");
}
else {
display.print("_");
}
if (bitRead(ch6_step, 6 ) == 1) {
display.print("*");
}
else {
display.print("_");
}
if (bitRead(ch6_step, 5 ) == 1) {
display.print("*");
}
else {
display.print("_");
}
if (bitRead(ch6_step, 4 ) == 1) {
display.print("*");
}
else {
display.print("_");
}
if (bitRead(ch6_step, 3 ) == 1) {
display.print("*");
}
else {
display.print("_");
}
if (bitRead(ch6_step, 2 ) == 1) {
display.print("*");
}
else {
display.print("_");
}
if (bitRead(ch6_step, 1 ) == 1) {
display.print("*");
}
else {
display.print("_");
}
if (bitRead(ch6_step, 0 ) == 1) {
display.print("*");
}
else {
display.print("_");
}
}
//-------------エンコード表示---------------------------------
//MANUALモード
if (mode == 0) {
//選択中のステップ
if ( enc <= 16) {
display.drawRect(enc * 6 + 24, 0 , 6, 8, WHITE);
}
else if ( enc <= 32 && enc > 16) {
display.drawRect((enc - 16) * 6 + 24, 9 , 6, 8, WHITE);
}
else if ( enc <= 48 && enc > 32) {
display.drawRect((enc - 32) * 6 + 24, 18 , 6, 8, WHITE);
}
else if ( enc <= 64 && enc > 48) {
display.drawRect((enc - 48) * 6 + 24, 27 , 6, 8, WHITE);
}
else if ( enc <= 80 && enc > 64) {
display.drawRect((enc - 64) * 6 + 24, 36 , 6, 8, WHITE);
}
else if ( enc <= 96 && enc > 80) {
display.drawRect((enc - 80) * 6 + 24, 45 , 6, 8, WHITE);
}
//オプション項目
display.setCursor(0, 54); // 文字の一番端の位置
if (enc == 97) {
display.setTextColor(BLACK, WHITE); // (BLACK, WHITE)は出力する文字の色を反転
display.print("MNAL");
}
else {
display.setTextColor(WHITE);
display.print("MNAL");
}
display.setCursor(48, 54);
if (enc == 98) {
display.setTextColor(BLACK, WHITE);
display.print("RESET");
}
else {
display.setTextColor(WHITE);
display.print("RESET");
}
display.setCursor(102, 54);
if (enc == 99) {
display.setTextColor(BLACK, WHITE);
display.print("SAVE");
}
else {
display.setTextColor(WHITE);
display.print("SAVE");
}
if (enc == 100) {
display.setTextColor(BLACK, WHITE);
display.setCursor(0, 0);
display.print("CH1");
}
else {
display.setTextColor(WHITE);
display.setCursor(0, 0);
display.print("CH1");
}
if (enc == 101) {
display.setTextColor(BLACK, WHITE);
display.setCursor(0, 9);
display.print("CH2");
}
else {
display.setTextColor(WHITE);
display.setCursor(0, 9);
display.print("CH2");
}
if (enc == 102) {
display.setTextColor(BLACK, WHITE);
display.setCursor(0, 18);
display.print("CH3");
}
else {
display.setTextColor(WHITE);
display.setCursor(0, 18);
display.print("CH3");
}
if (enc == 103) {
display.setTextColor(BLACK, WHITE);
display.setCursor(0, 27);
display.print("CH4");
}
else {
display.setTextColor(WHITE);
display.setCursor(0, 27);
display.print("CH4");
}
if (enc == 104) {
display.setTextColor(BLACK, WHITE);
display.setCursor(0, 36);
display.print("CH5");
}
else {
display.setTextColor(WHITE);
display.setCursor(0, 36);
display.print("CH5");
}
if (enc == 105) {
display.setTextColor(BLACK, WHITE);
display.setCursor(0, 45);
display.print("CH6");
}
else {
display.setTextColor(WHITE);
display.setCursor(0, 45);
display.print("CH6");
}
}
//AUTOモード
display.setCursor(0, 54); // 文字の一番端の位置
if (mode == 1) {
if (enc <= 3 ) {
if (enc == 1) {
display.setTextColor(BLACK, WHITE);
display.print("AUTO");
}
else {
display.setTextColor(WHITE);
display.print("AUTO");
}
display.setTextColor(WHITE);
display.print(" ");
if (enc == 2) {
display.setTextColor(BLACK, WHITE);
switch (genre) {//プリセットの選択
case 0:
display.print("TECHNO");//表示領域の都合上、6文字とする
break;
case 1:
display.print("DUBTCN");
break;
case 2:
display.print("HOUSE ");
break;
}
}
else {
display.setTextColor(WHITE);
switch (genre) {
case 0:
display.print("TECHNO");
break;
case 1:
display.print("DUBTCN");
break;
case 2:
display.print("HOUSE ");
break;
}
}
display.setTextColor(WHITE);
display.print(" ");
if (enc == 3) {//Fillinの選択
display.setTextColor(BLACK, WHITE);
switch (fillin) {
case 0:
display.print("FilIN:N");
break;
case 1:
display.print("FilIN:Y");
break;
}
}
else {
display.setTextColor(WHITE);
switch (fillin) {
case 0:
display.print("FilIN:N");
break;
case 1:
display.print("FilIN:Y");
break;
}
}
}
else if (enc >= 4 ) {
if (enc == 4) {//リピートの選択
display.setCursor(0, 54); // 文字の一番端の位置
display.setTextColor(BLACK, WHITE);
display.print("REP:");
display.print(repeat_done + 1);
display.print("/");
if (repeat <= 3) {
display.print(repeat_max);
}
else if (repeat >= 4) {
display.print("ET");
}
}
else {
display.setCursor(0, 54);
display.setTextColor(WHITE);
display.print("REP:");
display.print(repeat_done + 1);
display.print("/");
if (repeat <= 3) {
display.print(repeat_max);
}
else if (repeat >= 4) {
display.print("ET");
}
}
if (enc == 5) {//SWの選択
display.setTextColor(BLACK, WHITE);
display.setCursor(70, 54);
display.print("SW:");
display.print(sw_done + 1);
display.print("/");
if (sw <= 3) {
display.print(sw_max);
}
else if (sw >= 4) {
display.print("ET");
}
}
else {
display.setTextColor(WHITE);
display.setCursor(70, 54);
display.print("SW:");
display.print(sw_done + 1);
display.print("/");
if (sw <= 3) {
display.print(sw_max);
}
else if (sw >= 4) {
display.print("ET");
}
}
if (enc == 6) {
display.setTextColor(BLACK, WHITE);
display.setCursor(0, 0);
display.print("CH1");
}
else {
display.setTextColor(WHITE);
display.setCursor(0, 0);
display.print("CH1");
}
if (enc == 7) {
display.setTextColor(BLACK, WHITE);
display.setCursor(0, 9);
display.print("CH2");
}
else {
display.setTextColor(WHITE);
display.setCursor(0, 9);
display.print("CH2");
}
if (enc == 8) {
display.setTextColor(BLACK, WHITE);
display.setCursor(0, 18);
display.print("CH3");
}
else {
display.setTextColor(WHITE);
display.setCursor(0, 18);
display.print("CH3");
}
if (enc == 9) {
display.setTextColor(BLACK, WHITE);
display.setCursor(0, 27);
display.print("CH4");
}
else {
display.setTextColor(WHITE);
display.setCursor(0, 27);
display.print("CH4");
}
if (enc == 10) {
display.setTextColor(BLACK, WHITE);
display.setCursor(0, 36);
display.print("CH5");
}
else {
display.setTextColor(WHITE);
display.setCursor(0, 36);
display.print("CH5");
}
if (enc == 11) {
display.setTextColor(BLACK, WHITE);
display.setCursor(0, 45);
display.print("CH6");
}
else {
display.setTextColor(WHITE);
display.setCursor(0, 45);
display.print("CH6");
}
}
}
//出力中のstep
display.drawRect(step_count * 6 + 24, 0 , 6, 53, WHITE);
display.setCursor(0, 54); // 文字の一番端の位置
display.display(); // ディスプレイへの表示
}
void save_data() {
EEPROM.update(1, highByte(ch1_step)); //変更データをEEPROMに書き込み
EEPROM.update(2, lowByte(ch1_step)); //変更データをEEPROMに書き込み
EEPROM.update(3, highByte(ch2_step)); //変更データをEEPROMに書き込み
EEPROM.update(4, lowByte(ch2_step)); //変更データをEEPROMに書き込み
EEPROM.update(5, highByte(ch3_step)); //変更データをEEPROMに書き込み
EEPROM.update(6, lowByte(ch3_step)); //変更データをEEPROMに書き込み
EEPROM.update(7, highByte(ch4_step)); //変更データをEEPROMに書き込み
EEPROM.update(8, lowByte(ch4_step)); //変更データをEEPROMに書き込み
EEPROM.update(9, highByte(ch5_step)); //変更データをEEPROMに書き込み
EEPROM.update(10, lowByte(ch5_step)); //変更データをEEPROMに書き込み
EEPROM.update(11, highByte(ch6_step)); //変更データをEEPROMに書き込み
EEPROM.update(12, lowByte(ch6_step)); //変更データをEEPROMに書き込み
}
void change_step() {
//AUTOモードでSTEPを自動変更
//bank1
if (genre == 0) {
if (sw_done >= sw_max) {//SWが指定値になったときのみ、プリセットからランダムにパターンを選択
change_bnk1 = random(0, 7);//random maxはパターン上限と一致
}
ch1_step = pgm_read_word(&(bnk1_ptn[change_bnk1][0]));
ch2_step = pgm_read_word(&(bnk1_ptn[change_bnk1][1]));
ch3_step = pgm_read_word(&(bnk1_ptn[change_bnk1][2]));
ch4_step = pgm_read_word(&(bnk1_ptn[change_bnk1][3]));
ch5_step = pgm_read_word(&(bnk1_ptn[change_bnk1][4]));
ch6_step = pgm_read_word(&(bnk1_ptn[change_bnk1][5]));
}
//bank2
if (genre == 1) {
if (sw_done >= sw_max) {//SWが指定値になったときのみ、プリセットからランダムにパターンを選択
change_bnk2 = random(0, 4);//random maxはパターン上限と一致
}
ch1_step = pgm_read_word(&(bnk2_ptn[change_bnk2][0]));
ch2_step = pgm_read_word(&(bnk2_ptn[change_bnk2][1]));
ch3_step = pgm_read_word(&(bnk2_ptn[change_bnk2][2]));
ch4_step = pgm_read_word(&(bnk2_ptn[change_bnk2][3]));
ch5_step = pgm_read_word(&(bnk2_ptn[change_bnk2][4]));
ch6_step = pgm_read_word(&(bnk2_ptn[change_bnk2][5]));
}
//bank3
if (genre == 2) {
if (sw_done >= sw_max) {//SWが指定値になったときのみ、プリセットからランダムにパターンを選択
change_bnk3 = random(0, 4);//random maxはパターン上限と一致
}
ch1_step = pgm_read_word(&(bnk3_ptn[change_bnk3][0]));
ch2_step = pgm_read_word(&(bnk3_ptn[change_bnk3][1]));
ch3_step = pgm_read_word(&(bnk3_ptn[change_bnk3][2]));
ch4_step = pgm_read_word(&(bnk3_ptn[change_bnk3][3]));
ch5_step = pgm_read_word(&(bnk3_ptn[change_bnk3][4]));
ch6_step = pgm_read_word(&(bnk3_ptn[change_bnk3][5]));
}
}
void fillin_step() {
//フィルイン時のパターン設定
//bnk1
if (genre == 0) {
ch1_step = pgm_read_word(&(bnk1_ptn[change_bnk1][6]));
ch2_step = pgm_read_word(&(bnk1_ptn[change_bnk1][7]));
ch3_step = pgm_read_word(&(bnk1_ptn[change_bnk1][8]));
ch4_step = pgm_read_word(&(bnk1_ptn[change_bnk1][9]));
ch5_step = pgm_read_word(&(bnk1_ptn[change_bnk1][10]));
ch6_step = pgm_read_word(&(bnk1_ptn[change_bnk1][11]));
}
//bnk2
if (genre == 1) {
ch1_step = pgm_read_word(&(bnk2_ptn[change_bnk2][6]));
ch2_step = pgm_read_word(&(bnk2_ptn[change_bnk2][7]));
ch3_step = pgm_read_word(&(bnk2_ptn[change_bnk2][8]));
ch4_step = pgm_read_word(&(bnk2_ptn[change_bnk2][9]));
ch5_step = pgm_read_word(&(bnk2_ptn[change_bnk2][10]));
ch6_step = pgm_read_word(&(bnk2_ptn[change_bnk2][11]));
}
//bnk3
if (genre == 2) {
ch1_step = pgm_read_word(&(bnk3_ptn[change_bnk3][6]));
ch2_step = pgm_read_word(&(bnk3_ptn[change_bnk3][7]));
ch3_step = pgm_read_word(&(bnk3_ptn[change_bnk3][8]));
ch4_step = pgm_read_word(&(bnk3_ptn[change_bnk3][9]));
ch5_step = pgm_read_word(&(bnk3_ptn[change_bnk3][10]));
ch6_step = pgm_read_word(&(bnk3_ptn[change_bnk3][11]));
}
}
