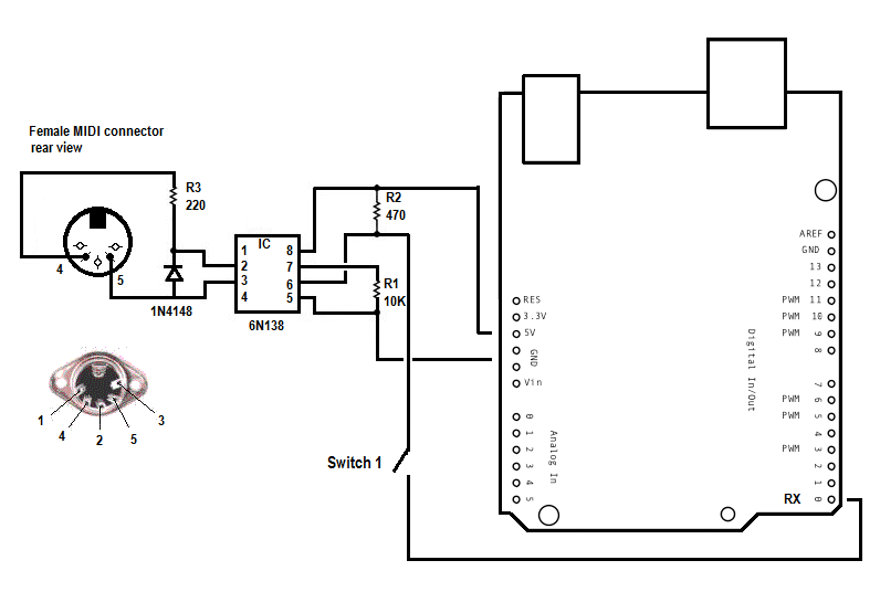
My problem with this at the time of building was that there’s no complete schematic, only bits and pieces to puzzle together and a lot of info in the .ino file itself. I hope you have fun solving that puzzle.
Link to the original project page: Projectpage




Link to googledrive with all libs: googledrive
To make sure the project can be done with the ressources provided by this site a copy of every lib needed is supplied. These are the versions I used originally and can confirm works.
